汽車壓力傳感器方案
汽車壓力傳感器方案
——JHM2102在壓容陶瓷傳感器上的應用
北京久好電子科技有限公司 劉海軍
一、 壓力傳感器的種類及特點
壓力傳感器的種類有濺射薄膜、硅壓阻、應變片、藍寶石、玻璃微熔、陶瓷壓阻、陶瓷壓容等,國內大批量生產主要是硅壓阻、陶瓷壓阻、玻璃微熔和陶瓷壓容,下面分別介紹下這幾種類型傳感器的特點:
1. 硅壓阻:
利用半導體材料的壓阻效應和良好的彈性,通過集成電路工藝和MEMS加工工藝研制出了硅壓阻傳感器,目前硅壓阻最小尺寸可以做到0.5*0.5mm以內,這樣一片8寸晶圓上就可以切割出近10萬支壓力傳感器。硅壓阻傳感器作為微型傳感器中的一種,具有尺寸小,產量高、成本低、過載能力強、抗干擾能力強、信號輸出靈敏度高等優點。由于常規封裝一般采用正壓結構,一般只可以測量一些純凈的沒有腐蝕性的介質,溫度漂移較大,滿量程溫漂達到0.15%F.S/℃。目前硅壓阻壓力芯體常用的非隔離和隔離兩種封裝結構,非隔離式一般封裝在塑料外殼內,硅片表面點硅凝膠保護,這種結構比較適合車用進氣歧管壓力、胎壓和大氣壓力的測量,量程和成本優勢明顯,也有用點特殊膠水封裝后應用與機油、水、尾氣壓力測量的,但使用壽命問題難以解決。隔離封裝一般使用金屬膜片內部充油方法,這種封裝方式可用于機油、冷媒、燃油、尾氣等有腐蝕性或污染嚴重介質,但由于充油工藝復雜生產成本高,相對于其它種類的傳感器來說性價比不是很明顯。除了以上的兩種封裝方式,目前國內廠家在開發一種倒封裝結構,這種結構由硅片背面直接與介質接觸,可以避免硅片表面的電路被腐蝕和污染的風險。倒封裝工藝一旦成熟一定可以使硅壓阻傳感器適合更多的應用。

圖1-1 擴散硅壓力芯體
2. 陶瓷壓阻:
陶瓷電阻技術采用厚膜印刷工藝將惠斯通電橋印刷在陶瓷結構的表面,利用壓敏電阻效應,實現將介質的壓力信號轉換為電壓信號。陶瓷是一種公認的高彈性、抗腐蝕、抗磨損、抗沖擊和振動的材料。陶瓷的熱穩定特性及它的厚膜電阻可以使它的工作溫度范圍高達-40 ~135 ℃,電氣絕緣程度2kV,這樣高的絕緣強度其它傳感器很難做到,目前國內有較多廠家提供陶瓷電阻壓力傳感器芯體。但該技術信號輸出靈敏度低,量程一般限定在500kPa~10MPa,且常規中空結構,僅靠膜片承壓,抗過載能力差,當待測介質壓力過載時,陶瓷電阻傳感器會存在膜片破裂,介質泄露的風險。陶瓷壓阻適合冷媒、機油,剎車的壓力測量應用。陶瓷壓阻傳感器芯體自帶溫度補償,溫漂可以做到0.02%F.s/℃,所以對于絕大多數應用不需要再做溫度補償,可以降低生產成本。一般的陶瓷壓阻傳感器時漂問題比較突出,對物料的采購和生產工藝要求較高。

圖1-2 陶瓷壓阻芯體
3. 玻璃微熔:
玻璃微熔技術采用高溫燒結工藝,將硅應變計與不銹鋼結構結合。硅應變計等效的四個電阻組成惠斯通電橋,當不銹鋼膜片的另一側有介質壓力時,不銹鋼膜片產生微小形變引起電橋變化,形成正比于壓力變化的電壓信號。玻璃微熔工藝實現難度較大,成本高。主要優勢是介質耐受性好,抗過載能力強,一般適用于高壓和超高壓量程,如10MPa~200MPa,應用較為受限。玻璃微熔壓力傳感器在柴油共軌、裝載機液壓、燃油泵等高壓力應用優勢明顯,對于2MPa以下的應用,沒有成本優勢。除此之外玻璃微熔壓力傳感器溫漂和硅壓阻傳感器相當,校準時需要溫度補償才能達到需要的精度。

圖1-3 玻璃微熔芯體
4. 陶瓷壓容:
陶瓷壓容技術采用固定式陶瓷基座和可動陶瓷膜片結構,可動膜片通過玻璃漿料等方式與基座密封固定在一起。兩者之間內側印刷電極圖形,從而形成一個可變電容,當膜片上所承受的介質壓力變化時兩者之間的電容量隨之發生變化,通過調理芯片將該信號進行轉換調理后輸出給后級使用。陶瓷壓容技術具有量程范圍寬、溫度特性好、可過載能力強、長期穩定性好等優勢。廣泛應用于冷媒、機油、剎車、燃油等壓力測量。陶瓷壓容芯體有很好的溫度特性,例如2MPa的芯體每100℃溫漂優于0.5%F.s。搭配久好電子的JHM2102僅需要常溫兩點校準,就可以做到-40~125℃溫區內1.5%F.S以內的精度。

圖1-4 陶瓷壓容芯體
國內陶瓷壓容工藝已經很成熟,陶瓷壓容芯體生產工藝相對壓阻芯體簡單,生產成本比壓阻要低,現在的陶瓷壓容芯體和陶瓷壓阻芯體價格已經持平。陶瓷壓容的先天性優點使它特別適合于高可靠性的應用。
二、 JHM2102介紹
1. JHM2102特點
JHM2102是一款針對陶瓷壓容傳感器設計的信號調理集成電路。待測的陶瓷壓容一般由可變電容和參考電容組成,可變電容隨外部施加壓力的變化而發生變化。JHM2102將測量陶瓷電容的微小變化,經過信號調理后轉換為模擬電壓輸出。
JHM2102使用了針對陶瓷壓容芯體設計的補償算法及電路,對于絕大多數量程的陶瓷壓容來說,JHM2102僅需要常溫兩個壓力點校準即可達到全溫區1.5%F.S的精度。
JHM2102供電電壓4.5~5.5V,自帶±40V的過壓和反接防護;~4mA的工作電流和-40~135℃的汽車級工作溫區;使用標準的3線通信,經過簡單的校準即可輸出需要的標準電壓信號;JHM2102外部電路僅需要幾個電容即可可靠的工作,有可通過ISO11452-2,ISO11452-4,ISO10605標準的參考電路。
2. JHM2102校準原理
JHM2102是一款針對陶瓷電容傳感器設計的信號調理電路。它所適用的陶瓷電容傳感器一般具有可變電容CVAR和參考電容CREF兩個電容,其中CVAR隨外部壓力的變化而變化,而CREF電容基本不隨壓力變化而變化。JHM2102充分利用這兩個電容的特點,測量兩者的比值,并經過一系列的信號調理產生出與壓力變化成比例的電壓信號輸出。
JHM2102與陶瓷電容傳感器組裝后需要進行校準,校準需在常溫下采集不同壓力條件下的電壓輸出,并由外部的軟件計算出準確的校準參數。外部連接的電路驅動VDD至特定電壓進入OTP編程模式。在此模式下,OUT引腳變為數字輸入輸出引腳,外部驅動電路將計算出的校準參數寫入OTP完成校準工作。
3. 批量校準套件
JHM2102有成熟的批量生產套件,特別是MCB2100校準板可以直接安裝到自動校準測試系統上,直接與工業計算機通信,校準速度可以達到5S/支。MCB2100還可搭配2100批量校準軟件實現手動校準,對于年產量不高的客戶手動校準可以減少設備投資,校準速度要慢一些,可以達到45S/支。
客戶也可通過定制工裝夾具和操作軟件的方法做到半自動校準,半自動校準速度可以達到15S/支。

圖2-1 MCB2100批量校準板

圖2-2 MC2100批量校準軟件
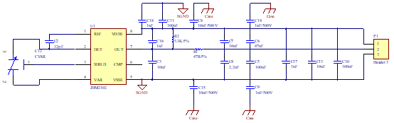
4. JHM2102應用電路

圖2-1 JHM2102應用電路原理圖
表2-1 JHM2102應用電路BOM表
Comment | Description | Designator | Footprint | LibRef | Quantity | Value |
Cap | NPO,5% | C2 | 0603 | Cap | 1 | 見注釋1 |
Cap | X7R,25V,10% | C3, C7 | 0603 | Cap | 2 | 10nF |
Cap | X7R,25V,10% | C4 | 0603 | Cap | 1 | 2.2nF |
Cap | X7R,25V,10% | C5 | 0603 | Cap | 1 | 100nF |
Cap | X7R,25V,10% | C6 | 0603 | Cap | 1 | 47nF |
Cap | X7R,500V,10% | C8, C15 | 0805 | Cap | 2 | 10nF |
Cap | X7R,500V,10% | C9, C14 | 0805 | Cap | 2 | 1nF |
Cap | X7R,50V,10% | C10, C11 | 0603 | Cap | 2 | 100nF |
CVAR | 陶瓷芯體 | C12 | TCDR | CVAR | 1 | |
Cap | X7R,50V,10% | C13 | 0603 | Cap | 1 | 10nF |
Cap | X7R,25V,10% | C16 | 0603 | Cap | 1 | 1nF |
Cap | X7R,50V,10% | C17, C18 | 0603 | Cap | 2 | 1nF |
Header 3 | Header, 3-Pin | P1 | CONNECTOR | Header 3 | 1 | |
Res1 | 5% | R1 | 0603 | Res1 | 1 | 47R |
Res1 | 5% | R2 | 0603 | Res1 | 1 | 3.3K |
JHM2102 | SOP8L | U1 | SOP8L | JHM2100 | 1 |
注釋:
1、 C2為參考電容,容值需與陶瓷壓容芯體配套,不是固定值。
2、 C8、C9、C14、C15為對傳感器外殼電容,需要根據客戶的要求選擇耐壓值和封裝。
5. JHM2102方案的優勢
JHM2102陶瓷壓容方案已批量用到了汽車前裝市場,測量的精度和可靠性得到了客戶的認可。
眾所周知陶瓷壓容的電容變化量與壓力呈倒數關系,非線性比較差,一般的電容壓力調理芯片需要采集多個壓力點進行擬合,才能達到需要的精度。JHM2102通過內部算法和校準電路簡化了這個校準過程,僅需采集兩個壓力點即可校準出優于0.2%F.S非線性偏差的傳感器。JHM2102內部電路采用溫度自補償技術,芯片溫漂極小,配合低溫漂的陶瓷壓容芯體,可以做到常溫校準保證全溫區的輸出精度在1.5%以內。極大的降低了客戶的生產成本,提高了生產效率。使用標準的壓力控制器和快速的工裝夾具,單人操作每日可校準600支以上(8小時工作制)。
北京久好和國內的幾家陶瓷壓容生產商聯手推出陶瓷壓容傳感器套片,可以一站式的為客戶提供壓容陶瓷芯體和電容信號調理芯片。
北京久好與國內外壓力校準設備生產商有合作關系,可以按客戶的產量推薦合適的的壓力校準設備。
北京久好有著多年傳感器開發和批量生產經驗的技術支持團隊。自成立以來,已支持了近百家客戶完成了久好芯片的應用和傳感器批量生產。支持了多條自動和半自動壓力傳感器生產線的軟件和硬件設計。
三、 陶瓷壓容傳感生產流程

圖3-1 陶瓷壓力傳感器生產流程圖
生產前需要準備好傳感器的所有配件,這些配件包括傳感器金屬外殼、密封墊/圈、壓容陶瓷芯體、FPCB、接插件、密封膠及其它輔料。
1、 前檢
所用工具:卡尺,FPCB測試工裝
檢查金屬外殼、接插件尺寸是否符合圖紙公差要求,一些插件由于遇熱尺寸會發生變化,需要提前加高溫老化處理。
檢查密封墊(圈)尺寸是否滿足圖紙要求,材質是否與客戶測量介質兼容。
使用FPCB測試工裝測試FPCB工作是否正常
檢查壓容陶瓷芯體是否滿足量程要求,芯體有無碰傷。
2、 組裝
所用工具:恒溫焊臺、壓力機、沖壓模具
使用恒溫焊臺將FPCB、接插件和壓容陶瓷芯體焊接到一起,將密封墊片放置于傳感器金屬外殼的凹槽內,將陶瓷壓容芯體、接插件裝卡到金屬外殼內,接插件壓緊陶瓷壓容芯體,保證FPCB的接地彈片可靠接地
使用壓力機和沖壓模具將金屬外殼和接插件鉚壓(還有卡簧和螺紋壓緊等組裝方式)在一起。
一些防護等級高的產品,在金屬外殼與接插件的連接處需要做打膠處理。
3、 高低溫老化
所用工具:高低溫試驗箱,傳感器老化支架
陶瓷壓容傳感器組裝后,部分產品會有殘余應力,這些應力如果不釋放可能導致傳感器發生零漂現象。
高低溫老化是將組裝好的傳感器放置于最低使用溫度保持一定的時間,在放置于最高使用溫度保持一定時間,一般做3次循環。
4、 校準
所用工具:壓力控制器、工裝夾具(如采用自動校準,則需要自動校準、檢測生產線)、JHM2102批量套件
JHM2102壓容陶瓷方案校準流程只有簡單的幾步:
設置期望輸出值→采集零點壓力數據→采集滿量程壓力數據→計算校準參數→誤差檢驗→寫入OTP永久存儲
5、 后驗
所用工具:壓力交變機、高低溫試驗箱、壓力控制器、工裝夾具、萬用表
后檢可以抽檢也可以全檢,全撿會提高生產成本。
壓力交變試驗機可以測試傳感器的密封性能及殘余應力釋放是否徹底。
使用壓力控制器、工裝夾具、高低溫試驗箱檢驗全溫區傳感器輸出精度是否在允許范圍內。
6、 針對傳感器的一些電氣性能測試
ISO11452-2,ISO11452-4,ISO10605等
使用JHM2102的抗EMC參考電路(FPCB)可以通過100V/m電磁抗擾度測試。
四、 推薦的校準設備
JHM2102陶瓷方案在調試和小批量樣品試制階段可以采用氣壓泵手動加壓方法校準,手動加壓一般適用于100支/天或更低的產量。批量生產建議使用壓力控制器,可提高加壓效率,降低人工成本。以下是推薦的一些加壓設備的型號:
手工加壓設備:ConST118(0~6MPa)

壓力控制器:ConST820(0~6MPa)

氣壓發生裝置:ConST171S

v
